GZD振動料斗
產品概述
振動料斗常用于機床上下料裝置,在儀器儀表和電子元件等行業中較多應用。振動料斗工作比較平穩,適用于已經過部分精加工的各類小型工件。振動料斗具有一定的通用性,當用于尺寸,重量相近的不同工件時只需要更換定向機構。振動料斗由料斗、定向機構、支承彈簧、電磁鐵和底座等組成。料斗多數為圓盤式(也有直槽式),圓盤內側有螺旋上升的斜料槽。定向機構設置在料槽近出口處,工件經過出口時沿斜料槽進行定向運動。支承彈簧通常為3或4根板彈簧,傾斜安裝。電磁鐵作為振動源,接交流電源或通以半波整流的脈動電流。銜鐵裝在料斗底部,氣隙可以調節。通電后,電磁鐵以一定頻率吸放銜鐵,于是帶動料斗在傾斜安裝的支承彈簧支撐下往復扭轉和上下振動。有的振動料斗不用電磁鐵激振,而用凸輪、曲柄連桿機構或偏心塊等機構產生振動作用。
振動給料斗破拱性能好,對于料倉內的各種粉狀及粒狀物料都能實現破拱和連續均勻排料,可消除不同粒度、不同比重的混合物料在進入料倉時的偏析現象。其結構簡單,工作可靠,運轉平穩,噪音小,動力消耗少,使用壽命長,維修工作量小,生產率的調節范圍大。適用于圓形、方形、鋼質或混凝土的任何料倉。可以實現完全密封輸送,粉塵不外揚,不污染環境。
應用范圍
軍工及化學工業方面:氯化鉀、固體噴氣燃料、氯化氨、尿素、碳酸氫鈉、硫酸鋇、純堿、滑石、碳黑、活性碳、煤粉、熟石灰、顏料、添加劑等。機械及冶金工業方面:鑄型沙、鐵礦石、燒結礦、礦粉、氧化鐵粉、煤粉、二氧化錳、氧化鋁粉、氧化亞鉛、鋁粉、氧化鈦、鐵合金、非鐵合金添加劑、粘結劑、混合料等。
陶瓷工業方面:粘土、陶土、二氧化硅、砂、拋光材料、熟石膏、鋁氧化粉等。
糧食及食品工業方面:面粉、大豆、花生、淀粉、奶粉、食鹽、砂糖、維生素補品等。
塑料工業方面:塑料粉、塑料顆粒、磨碎了的片料等。
木材工業方面:木屑、鋸木面、副產品等、
建材工業方面:水泥、水泥生料、付料等。
環保方面:過濾物、回收物、蘇打灰、飛灰、固定殘渣、廢料等。
農業方面:家畜飼料、養料、粉料等。
技術參數

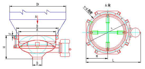
| 序號 | 型號 | 振動斗直徑A | 法蘭盤外徑B | 法蘭盤內徑C | 出料口直徑Dmin | 電機相關尺寸E | 法蘭盤厚度H | 振動斗高度H | 長度L | 寬度M | 法蘭盤螺孔 | 電機功率(kw) | 一般相配料倉直徑D1 | 一般相配料倉容積(m3) | 重量(kg) | |
| Dmax | 數量 | 孔徑 | ||||||||||||||
| n | d | |||||||||||||||
| 1 | GZD04 | 400 | 490 | 450 | 50 | 54 | 6 | 295 | 670 | 240 | 12 | 14 | 0.15 | 400~800 | 2~8 | 57 |
| 150 | ||||||||||||||||
| 2 | GZD06 | 600 | 710 | 660 | 50 | 91 | 6 | 396 | 900 | 360 | 16 | 14 | 0.15 | 600~1200 | 5~15 | 88 |
| 150 | ||||||||||||||||
| 3 | GZD08 | 800 | 930 | 880 | 80 | 56 | 8 | 530 | 1120 | 500 | 16 | 20 | 0.55 | 800~1600 | 10~40 | 230 |
| 200 | ||||||||||||||||
| 4 | GZD10 | 1000 | 1130 | 1080 | 100 | 44 | 10 | 635 | 1305 | 585 | 16 | 20 | 0.75 | 1000~2000 | 20~50 | 285 |
| 300 | ||||||||||||||||
| 5 | GZD12 | 1200 | 1330 | 1280 | 100 | 42 | 10 | 730 | 1500 | 680 | 16 | 20 | 0.75 | 1200~2400 | 30~60 | 424 |
| 350 | ||||||||||||||||
| 6 | GZD15 | 1500 | 1660 | 1590 | 150 | 10 | 12 | 930 | 2080 | 900 | 24 | 24 | 1.5 | 1500~3000 | 50~100 | 620 |
| 400 | ||||||||||||||||
| 7 | GZD20 | 2000 | 2200 | 2120 | 200 | 9 | 14 | 1055 | 2420 | 1170 | 36 | 24 | 1.5 | 2000~4000 | 60~160 | 1158 |
| 500 | ||||||||||||||||
| 8 | GZD25 | 2500 | 2720 | 2620 | 250 | 16 | 1330 | 3120 | 1420 | 36 | 28 | 2.2 | 2500~5000 | 100~250 | 1480 | |
| 600 | ||||||||||||||||
| 9 | GZD30 | 3000 | 3220 | 3120 | 300 | 20 | 1590 | 3650 | 1650 | 40 | 28 | 2.2 | 3000~6000 | 200~400 | 2230 | |
| 650 | ||||||||||||||||
| 10 | GZD36 | 3600 | 3820 | 3720 | 400 | 20 | 1890 | 4260 | 1950 | 48 | 28 | 3.0 | 3600~7200 | 300~600 | 3036 | |












